OA
抖音
English
中文版
网站首页
关于瑞奇
瑞奇简介
荣誉资质
瑞奇文化
设备展示
企业风采
在线视频
新闻中心
公司新闻
员工天地
瑞奇产品
营销网络
工程案例
客户服务
售后服务
常见问题
资料下载
人力资源
联系我们
首页
> 瑞奇产品 >
预制分支电缆
额定电压1kV到35kV挤包绝缘电力电缆
额定电压450/750V及以下挤包绝缘控制电缆
环保型布电线
煤矿用电缆
预制分支电缆
轨道交通用电缆
船用电缆
铁路机车车辆用电缆
特种电缆
架空导线
额定电压10kV及以下架空绝缘电缆
通用橡套软电缆
电焊机电缆
耐热橡皮绝缘电缆
辐照交联低压汽车线
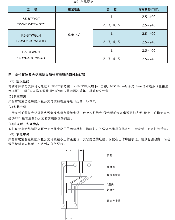
额定电压0.61kV柔性矿物复合绝缘防火预分支电缆
发布者:网站管理员 浏览:2488 更新:2020-08-18
上一篇:
额定电压0.61kV预制分支电力电缆
下一篇:没有了